汽車制造
產品概述
product description
查看大圖
HSR-JR680工業機器人
JR六軸機器人系列HSR-JR680是華數機器人最新推出的一款通用型中大負載六軸機器人,在研發設計初始即考慮多種使用工況,如搬運、焊接、打磨、去毛刺等,性能達到同類產品先進水平。
使用說明下載產品特點
Features整機具備以下特點:
高剛度高速度,整機設計采用有限元分析盡心力學分析,結合華數機器人豐富的機器人設計經驗,鑄就HSR-JR680優異的結構剛度;同時優化電機選型和減速比配置,整機末端合成速度最高達到4m/s①。
高精度,為滿足焊接、打磨、去毛刺等對軌跡精度有嚴格要求的工作,HSR-JR680傳動系統經過精心設計和嚴格工藝組裝,盡可能消除傳動系統傳動誤差,重復定位精度達到±0.07mm,為國內還同類產品先進水平。
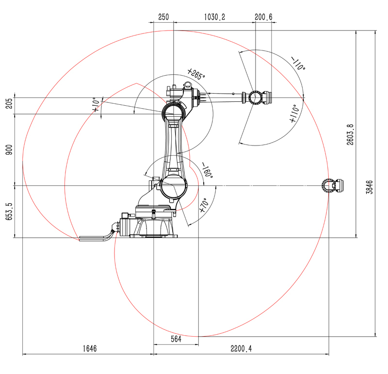
工作范圍寬廣靈活,各軸運動范圍大,臂展2200mm,可以覆蓋眾多工作場景,手腕結構緊湊,可以在狹窄空間內靈活轉動。
高負載,四五六軸負載余量達到25%,免除夾具設計時緊張的重量控制,給設計留下更多空間,在某些情況下盡可作為100kg負載機器人使用②。同時富余的安全余量意味著更高安全系數與更長使用壽命。
高防護,手臂防護等級達到IP65,杜絕灰塵、廢屑、液體污染,適用于打磨、去毛刺等惡劣工況,提供持續穩定的生產力,降低維護保養成本,為您創造更多價值。
產品參數
Product parameters| 工業機器人 | HSR-JR680 | |
| 自由度 | 6 | |
| 額定負載 | 80Kg | |
| 最大工作半徑 | 2200.4mm | |
| 重復定位精度 | ±0.07mm | |
| 運動范圍 | J1 | ±180° |
| J2 | -160°/70° | |
| J3 | +10°/265° | |
| J4 | ±360° | |
| J5 | ±110° | |
| J6 | ±360° | |
| 額定速度 | J1 | 85°/s,1.48rad/s |
| J2 | 85°/s,1.48rad/s | |
| J3 | 104°/s,1.81rad/s | |
| J4 | 177°/s,3.08rad/s | |
| J5 | 155°/s,2.7rad/s | |
| J6 | 187°/s,3.26rad/s | |
| 最高速度 | J1 | 127°/s,2.21rad/s |
| J2 | 127°/s,2.21rad/s | |
| J3 | 104°/s,1.81rad/s | |
| J4 | 177°/s,3.08rad/s | |
| J5 | 155°/s,2.7rad/s | |
| J6 | 187°/s,3.26rad/s | |
| 容許慣性矩 | J6 | 25kg㎡ |
| J5 | 32.7kg㎡ | |
| J4 | 32.7kg㎡ | |
| 容許扭矩 | J6 | 330Nm |
| J5 | 340Nm | |
| J4 | 400Nm | |
| 適用環境 | 溫度 | 0~45° |
| 濕度 | 20%~80% | |
| 其他 | 避免與易燃易爆或腐蝕性氣體、液體接觸,遠離電子噪聲源(等離子) | |
| 示教器線纜長度 | 8米 | |
| 本體-柜體連接線長度 | 8米 | |
| I/O參數 | 數字量:32輸入,31輸出(控制柜故障指示燈輸出占用1) | |
| 本體預留信號線 | 26位(航空插頭接線方式:焊接) | |
| 預留氣路 | 3*Φ10 | |
| 電源容量 | 7.5kVA | |
| 額定功率 | 5.5kW | |
| 額定電壓 | 3相AC380V? ? 50Hz | |
| 額定電流 | 10.8A | |
| 本體防護等級 | IP54/IP65(手腕) | |
| 安裝方式 | 地面安裝 | |
| 本體重量 | 720kg | |
| 控制柜防護等級 | IP53 | |
| 控制柜重量 | 180KG | |
| 控制柜尺寸 | 840mm(寬)*560mm(厚)*1330mm(高)-立式 | |
產品尺寸
Product Size

